標準アルミ押出材および圧延材に加え、お客様の仕様および業界要件に合わせた特注アルミ押出材ならびに特注精密アルミ部品も提供しています。
Zhongpeng では、アルミIビーム型(6060、6063、7150)をラインナップ、ご指定の寸法にカットします。優れた耐食性を持つ形材は、建築インフラから精密産業機械まで、多岐にわたる構造材として、長期にわたる安定稼働を約束します。またオプションでは、アルマイト処理や塗装表面処理による耐久性と精度向上を図ります。
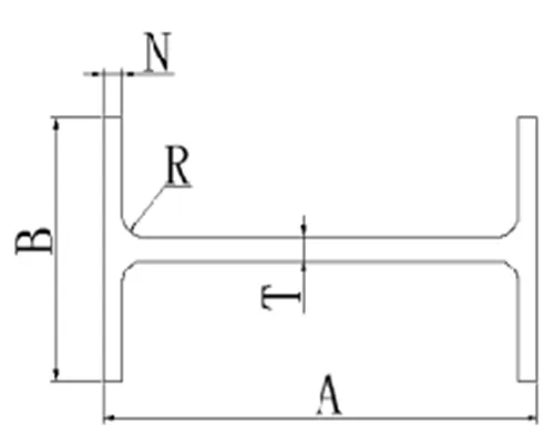
| 製品型番 | 外径(mm) | A Side (mm) | B Side (mm) | T Side (mm) | N Side (mm) | R Side (mm) | 重量 (kg/m) | 押出圧力 | 合金・調質 |
| ZW_D031778 | 21 | 7 | 19.25 | 1.25 | 1.25 | 0.145 | 500T | 6060-T66 | |
| ZW_D031779 | 22 | 9 | 20 | 1.5 | 1.5 | 0.186 | 500T | 6060-T66 | |
| ZW_D031780 | 23 | 11 | 20 | 1.5 | 1.5 | 0.194 | 500T | 6060-T66 | |
| ZW_D031781 | 26 | 13 | 22 | 1.5 | 1.5 | 0.219 | 500T | 6060-T66 | |
| ZW_D031782 | 29 | 16 | 24 | 1.5 | 1.5 | 0.247 | 500T | 6060-T66 | |
| ZW_D031783 | 36 | 19.5 | 30 | 1.75 | 1.75 | 0.359 | 660T | 6060-T66 | |
| TP-3962 | 44 | 26 | 34.5 | 3.5 | 3.5 | 3 | 0.852 | 880T | 6063-T5 |
| ZW_D080169 | 43 | 38 | 18 | 4 | 4 | 2 | 0.722 | 880T | 6061-T6 |
| ZWJJ-1012 | 43 | 40 | 10 | 1 | 1 | 0.3 | 0.161 | 500T | 6063-T5 |
| YK-L004 | 45 | 40 | 20 | 4 | 5 | 2 | 0.869 | 880T | 6061-T6 |
| ZW_D031674 | 54 | 50 | 20 | 4 | 4 | 3 | 0.906 | 880T | 6061-T6 |
| ZW_D061445 | 59 | 50 | 30 | 4 | 4 | 1 | 1.103 | 1250T | 6061-T6 |
| ZWGYC-3103 | 65 | 50 | 42 | 14 | 10 | 0.5 | 3.401 | 2000T | 6063-T5 |
| ZWYF-16 | 72 | 50.8 | 50.8 | 3.18 | 3.18 | 3.18 | 1.277 | 880T | 7150-T73511 |
| ZW_D031425 | 55 | 51 | 20 | 4 | 4 | 3 | 0.916 | 880T | 6061-T6 |
| ZW_D031211 | 55 | 51 | 20 | 5 | 5 | 3 | 1.113 | 1250T | 6061-T6 |
| 合金 | 主な特性 | 主な用途 |
| 6060 アルミIビーム型 | 耐食性、加工性、アルマイト処理適性 | 建築構造材、産業用支持材、軽量機械部品 |
| 6061 アルミIビーム型 | 高強度、耐食性、溶接性 | 自動車部品、機械構造材、産業用フレームワーク |
| 6063 アルミIビーム型 | 平滑な表面、耐食性、装飾仕上げ | 建具システム材、建築装飾、家具部品 |
| 7150 アルミIビーム型 | 高強度、耐腐食性 | 航空宇宙用部品、産業用構造部材 |
創業から30年以上にわたり私どもは、アルミニウムの可能性を追求し、世界の基幹産業を支え続けてきました。あらゆる産業のパートナーとして信頼を築いてまいりました。工業、建設、自動車、鉄道、電子機器、太陽光発電など様々な分野のお客様の特定の要求に、高耐久の押出材、圧延品、精密部品まで最適なソリューションを供給しています。
標準アルミ押出材および圧延材に加え、お客様の仕様および業界要件に合わせた特注アルミ押出材ならびに特注精密アルミ部品も提供しています。